仕様
| Fx | Fy | Fz | Mx | My | Mz | ||
| 定格容量 | T25 | 1000 N | 1000 N | 1800 N | 25 Nm | 25 Nm | 25 Nm |
| T60 | 1800 N | 1800 N | 4000 N | 60 Nm | 60 Nm | 50 Nm | |
| 許容過負荷 | T25 | 2800 N | 2800 N | 7500 N | 80 Nm | 80 Nm | 140 Nm |
| T60 | 7200 N | 7200 N | 12800 N | 160 Nm | 160 Nm | 200 Nm | |
| 分解能 (100Hz、ノイズフリー) |
T25 | 0.15 N | 0.15 N | 0.15 N | 0.008 Nm | 0.008 Nm | 0.001 Nm |
| T60 | 0.35 N | 0.35 N | 0.20 N | 0.010 Nm | 0.010 Nm | 0.003 Nm | |
| ノイズ | T25 | 0.05 N | 0.05 N | 0.24 N | 8 mNm | 8 mNm | 5 mNm |
| T60 | 0.66 N | 0.66 N | 0.05 N | 0.002 Nm | 0.002 Nm | 0.0007 Nm | |
| ドリフトオーバータイム | < 1.5 N/h、< 10 mNm/h | ||||||
| 通信方法 | Serial | RS422、RS485、USB、Ethernet 100nbbs | |||||
| EtherCAT | EtherCAT in/out、USB | ||||||
| サンプリング速度 | Serial | 3800 Hz | |||||
| EtherCAT | 3800 Hz | ||||||
| IMU | 6自由度IMU | ||||||
| アクセラレーション | ±16g | ||||||
| ジャイロスコープ | ±2000°/秒 | ||||||
| 保護等級 | IP67 | ||||||
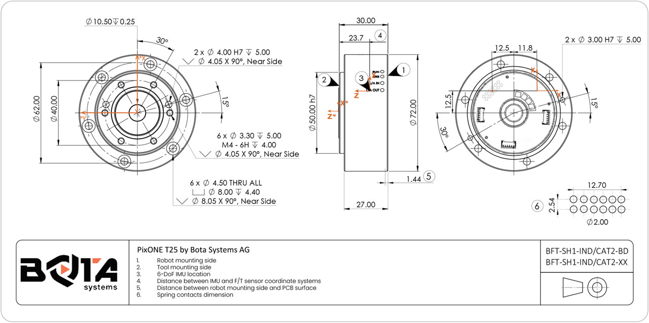
| 外形寸法 | T25 | Φ72 x 30 mm | |||||
| T60 | Φ85 x 41.5 mm | ||||||
| 重量 | T25 | 236 g | |||||
| T60 | 436 g | ||||||
| 動作温度 | 0 ~ 55 ℃ | ||||||
| 電源 | 9 ~ 48 VDC、1.5 W | ||||||
copyright (C) Nihon Binary Co., Ltd., All rights reserved.