
Elephant Robotics®C3は、Elephant Robotics社の最新のオールインワン 6軸協働ロボットで、
生産現場や科学研究の為に設計されました。モジュール式のコンパクトなボディを備えた C3は、
メンテナンスコストを大幅に節約できます。この多用途のロボットアームは、「音声制御」と
「クラウド プログラミング」という 2 つの独創的な機能を備えており、カスタムプログラミングと
二次開発もサポートしています。さらに、コンピューター、タブレットまたは電話から操作できる
ため、専用のティーチペンダントは必要ありません。
特徴
![]() |
![]() |
![]() |
![]() |
| オールインワン | ボイスコントロール 音声制御 |
コラボレイティブ & セーフティ |
クラウドプログラミング |

オールインワン、ポータブルで実用的
従来のコボットと比較して、Elephant Robotics®C3の総重量はわずか18kgで、持ち運びにも便利です。
柔軟な操作、強力な機能、プラグアンドプレイで定評があります。Elephant Robotics®C3の
インテリジェンスは、産業用途だけでなく研究用途においても活用できます
音声制御で効率的
Elephant Robotics®C3は音声制御機能により、音声でロボットの状態を
確認したり、プログラムの開始や停止を指示することができます。
クラウドプログラミングで、いつでもどこでも
Elephant Robotics社が開発したユーザーフレンドリーで互換性のある
オペレーティングシステムを採用しているため、APIはどのプログラミング
言語とも統合でき、SDKはPython、C、Javaをサポートします。
オフラインプログラミングとROSの拡張がサポートされ、AI開発プラット
フォームであるRoboFlowでは、様々な機能モジュール、処理パッケージが
常に更新されています。
|
コラボレイティブ & セーフティ |
アプリケーション
Elephant Robotics®C3は、製造現場、科学研究、教育、医療など、あらゆる場面で運用できます。
現在、500以上のグローバル企業、有名大学や研究機関からフィードバックを受け取っています。
![]() スマートバリスタ |
![]() 写真撮影用ロボット |
![]() 製造現場での反復作業 |
![]() イラストレーション |
![]() 人間とロボットのコラボレーション |
![]() 自走ロボットとのコラボレーション |
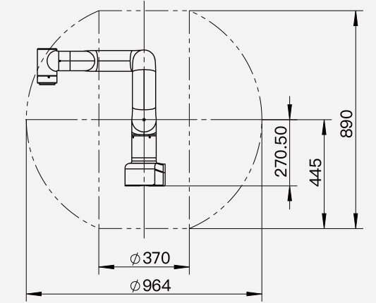
仕様
copyright (C) Nihon Binary Co., Ltd., All rights reserved.