
Elephant Robotics®Pシリーズは、Elephant Robotics社のオールインワン 6軸協働ロボットで、
ワークの重量に合わせてペイロード3kgのP3と5kgのP5の2つのモデルがあります。
様々なエンドエフェクターと合わせて、組み立て、パレタイジング、各種試験などの様々なタスクを
行うことができます。Elephant Robotics®Pシリーズは、3C産業、金属加工、科学研究、医療、
自動車産業などのさまざまな業界の自動化要件を満たすことができます。
特徴
![]() |
![]() |
![]() |
![]() |
| 軽快で普遍的 | 高い費用対効果 | プログラミングが容易 | 安全な協同作業 |

汎用性と機敏性の向上
独創的な構造設計により、Elephant Robotics®Pシリーズは ±360° の動作範囲を実現、柔軟な
動作が可能です。Elephant Robotics®Pシリーズはコンパクトな構造、簡単なプログラミングに
より、柔軟に設置が可能です。さらに。モジュール設計により、必要に応じて簡単にジョイントの
交換が可能なため、スペアパーツの種類も減らすことができメンテナンスも容易です。
高品質で低価格
Elephant Roboticsの強力なコスト管理能力に基づき、Pシリーズは高品質で
コスト効率に優れています。Pシリーズの消費電力は従来のロボットのわずか
1/10で、幅広い生産タスクに対して、コスト効率に優れ、柔軟で安全な自動化
ソリューションを活用できます。Elephant Robotics®Pシリーズで生産ライン
アップグレードすれば、生産時間とリソースの消費を削減することが可能です。
|
コラボレイティブ & セーフティ |
簡単なプログラミング、オープンでフレンドリー
Elephant Robotics®Pシリーズは、Elephant Robotics が開発した
オペレーション システム「RoboFlow」を採用しています。
・プログラミング経験のないオペレーターでもセットアップ及び操作が可能。
・ロボット アームを目的のウェイポイントに移動するか、使いやすい
タッチスクリーン タブレットの矢印キーをタッチするだけ。
・API は、あらゆるプログラミング言語と統合できます。
SDK: Python、C、Java
・ROS でのオフライン プログラミングと拡張。
・さまざまな機能モジュールをサポート、処理パッケージは常に更新。
アプリケーション
Elephant Roboticsは、自動化を実現し、生産性、品質、安全性レベルを
タイムリーかつ低コストで向上させるお手伝いをします。
![]() 3Cエレクトロニクス |
![]() インジェクションモールディング |
![]() 薬品及びケミカル産業 |
![]() 自動車産業 |
![]() 製鉄 |
![]() 教育及び研究 |
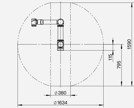
仕様
copyright (C) Nihon Binary Co., Ltd., All rights reserved.